how to measure door hinges
Are we dealing with face frame cabinetry or European frameless construction. The use of MHF European hinges.
Your Guide To Butt Hinges Popular Woodworking Magazine
If you are using 5 hinges divide the space by 3 for your further 3 hinges.
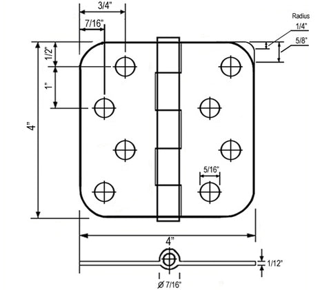
. You dont need to worry about the measurements in from the side edge of the doors as this measurement is always standard at 225mm to centre of hole. A standard hinged door measures 30 inches wide by 80 inches tall. Right above the lower hinge it should be placed nicely. 4 inch x 4 inch Square with 58 inch radius corner.
These steps will guide you if youre going to replace old door hinges with new ones. If youve spent any time looking at the hinges on your door you may have noticed that the corners can differ from hinge to hinge. How To Measure Door Hinges. On doors with beveled edges measurements should be taken from the wide side of the door noting whether beveled on lock hinge or both edges.
Secure a 116-inch drill bit into a drill. As noted the two hinge dimensions were concerned with are the leaf or hinge height and the overall hinge width measured with the hinge in the fully opened position. Most residential hinges for your exterior doors will come in one of the following sizes and have a zig-zag hole pattern. D Hinge Size E First Hinge F Second Hinge G Third Hinge if 4 hinges H Fourth Hinge I Strike Size J Top of Strike K CL Stike Hole L Threshold Height MN Sill Condition O Door Thickness P Hardware Rabbet Q Stop Height R Hinge Backset S Label Reqts All measurements - 132 All measurements are of existing frame G F E H C D Hinge Size J.
Using a tape measure measure and mark with a pencil around 85mm 100mm down from the top of door on the hinge edge and the same up form the bottom. Square corner and radius corner hinges offer the same functionality so if youre starting from scratch with a blank door slab you can simply choose the look square or round you. Doors leading to your backyard. This blog is intended to take you through the process of measuring cabinet hinges step by step.
To get the thickness simply open the door and measure the inner edge where the lock is. Process Of Measuring Hinge Size. The width of the door is important because it affects the weight of the door. Open your door and unscrew the.
When renovating your home and exchanging old rusted hinges for new hinges determining the size of the existing hinge eases the installation of new hinges. Measuring Door Hinge Sizes You measure a door hinge when it is open and lying flat. Doors leading to and from your garage. If you are using our standard.
Measuring a cabinet hinge is actually a pretty straight-forward and easy process. Door Measurements Door Width. You should vertically place the tape exactly up next to doors hinge side after closing it. The hinge height required is determined by the door thickness and the door width.
The hinge holes are drilled as a standard 35mm diameter hole. Door hinges are sized according to the size and weight of the door. First well go over how to measure a door size for a typical hinged door. You do not mention which Blum hinge you are wanting or planning on using.
Reposition the doors so they are lying flat on the work surface. Are interior door hinges universal. So using masking tape is a good idea. If you need to measure the rough openingmeaning the wall around the door isnt fully finishedyoull take the width by measuring from the 24 on the left to the one on the right.
4 inch x 4 inch with 14 inch radius corner. It is recommended to take a helping hand while following the measuring process. Measuring on the Door Side with Hinge. You just need some handy tools and the right direction.
Fold a piano hinge in half. Dimensions taken from edge to edge across the door using steel tape. Remove The Middle Hinge Of The Door. Hinged door measurement.
To get the measurements you will be needing a Philips head screwdriver a flat head screwdriver a measurement tape and a utility knife. Once youve chosen your finish youll need to measure your. If you need to use more hinges divide the space between the top and bottom marks equally depending on how many hinges you are adding eg. Several factors here.
The most common in this appl. Use two hinges for doors up to 60 inches tall. The height is one dimension and the distance across both leaves is the other dimension. Some hinges have square corners while others have rounded or radius corners.
Butt door hinges are often the same size each way but they dont have to be. So if you want to get it right follow the simple steps below. Lets go with face frame that is how almost everything that leaves my shop is made. Great selection and low pricing on many european hinges as well as how to measure cabinets for doors and European Hinges Quick Course.
How to Install a Piano Hinge on Corner Cabinet Doors Measure the height of the corner cabinet opening at the hinge-mounting location using a tape measure. This process is simple and vital. Read on to learn how to measure cabinet hinges easily. There should be no left-over mark on the cabinet.
Then measure the two bottom hinges from the bottom edge of the door to the centre of each hinge. Full overlays half overlay and inset cabinet door hinges. Generally the rules for measurement are similar for entry doors and internal doorsthats the heavy insulated doors that lead outside and the lighter doors between rooms closets etc. Use three hinges if the door is between 60 and 90 inches tall.
4 inch x 4 inch with 58 inch radius corner. How to measure the hinge size. For doors of door pairs application or absence of an astragal affects door width. For doors between 90 inches and 120 inches use four hinges.
Set the two cabinet doors on a stable surface.
Standard Door Hinge Replace Guide Door Hinge Corner Radius Doorware Com
Standard Door Hinge Replace Guide Door Hinge Corner Radius Doorware Com
Hinges Here Hinges There Direct Door Hardware
Factors Determining Proper Hinge Selection


Posting Komentar untuk "how to measure door hinges"